Labornetzteil 0-30V 3A
Aus meiner Lehrzeit, quasi die "Zwischenprüfung", stammt dieses Labornetzteil.Gebaut habe ich das Netzteil etwa um 1987 herum. Ist also schon "ne Weile" her.
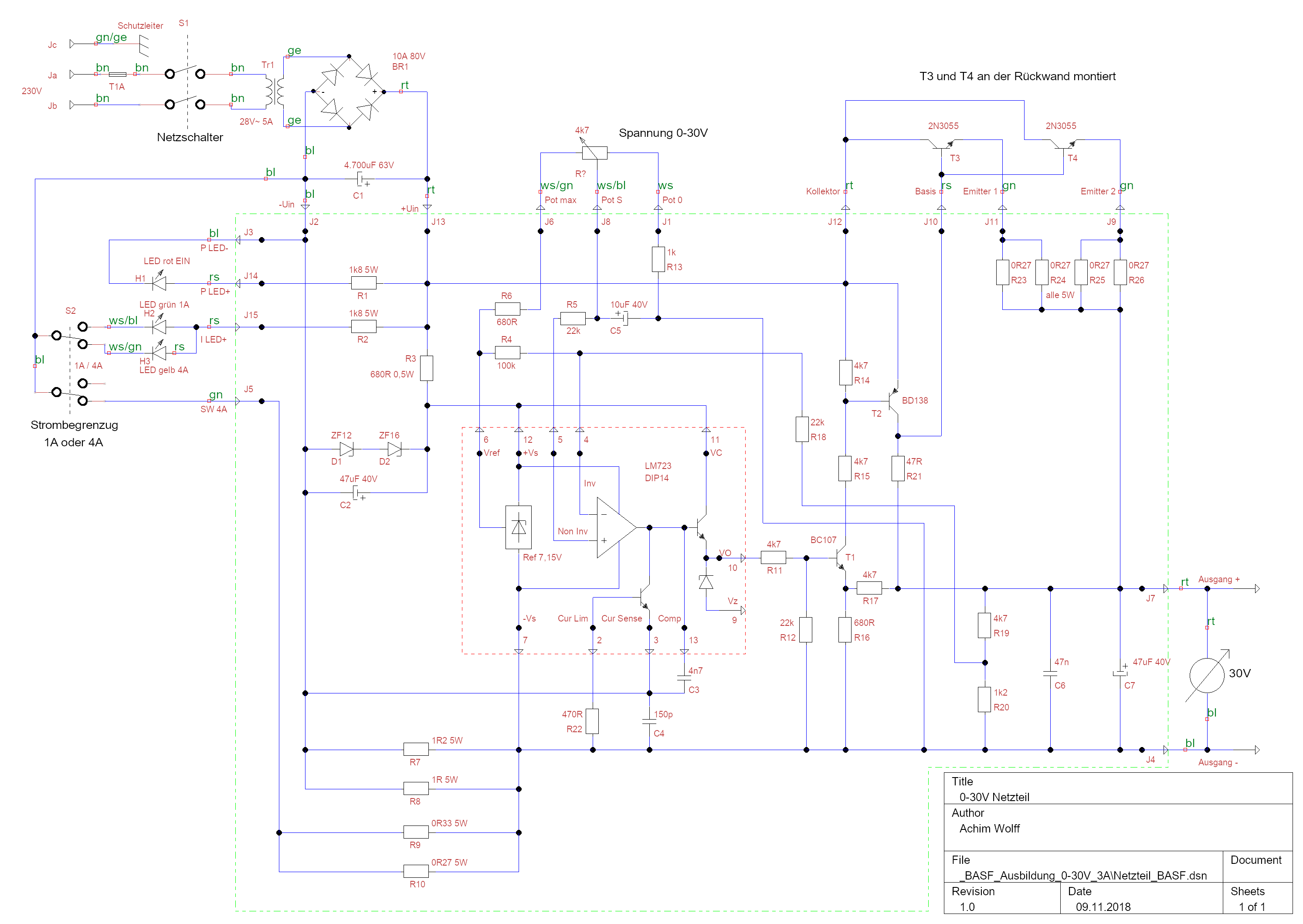
Stufenlose Spannungsreglung von 0 bis 30V. Strombegrenzung umschaltbar zwischen 1A und 3A.
Ok, ich müsste das Ding mal wieder putzen ;-)

Die Regelschaltung basiert auf einem LM723 - der DIL14-Linearregler ist heute noch ein Standardbauteil und für wenige Cent zu bekommen.
Damals habe ich während der Ausbildung sehr vieles an dem Gerät selbst gemacht:
Das "Gehäuse" - genauer gesagt die 3 Aluminium-Teile mit Ausbrüchen und Bohrungen sowie Biegen der Kanten
Die Platine wurde selbst belichtet, entwickelt und geätzt.
Der Kabelbaum wurde noch mit Wachsschnur selbst gebunden.
Zusammenbau der Teile in das "Chassis".
Löten der Teile auf die Platine sowie die Leitungen des Kabelbaums.
Funktionsprüfung und Test nach VDE0100.
Später habe ich auf der Gehäuserückseite noch 2 zusätzliche Kühlkörper für die beiden 2N3055 und etwas Wärmeleitpaste "nachgerüstet".

Das Netzteil ist heute noch im Einsatz und funktioniert noch einwandfrei. Reparaturen waren bisher noch nicht nötig. Nur der Umschalter für die Strombegrenzung hakt etwas, den werde ich irgendwann mal austauschen müssen.
Die Anzeige der Ausgangsspannung erfolgt über ein Drehspulmesswerk.

HIer noch der Schaltplan - Klick auf das Bild öffnet den Plan in einem neuen Fenster.




